您好,欢迎来兴恒安智能!
0755-33066731/18823729361
|
登录
|
注册
|
帮助中心
4
购物车
我们的产品
电缸
旋转型
夹爪型
电缸配件
滑块型
推杆型
洁净室专用型
防水防尘专用
平台型
国货精品
伺服压机
变压器
其他国货精品
机械标准件
轴承
丝杠
凸轮导向器
工业控制
变频器
传感器
工业控制其他
PLC
触摸屏
工业机器人
6轴机器人
快换夹具
机器人附件
直角坐标机器人
4轴SCARA
马达电机
伺服马达
其他马达
步进马达
伺服压力机拧紧机
伺服压力机
伺服拧紧机
网站首页
产品展示
产品中心
视频中心
品牌查询
行业解决方案
下载中心
行业资讯
关于我们
联系我们
产品展示
当前位置:
首页
>
产品展示
>
工业控制
>
传感器
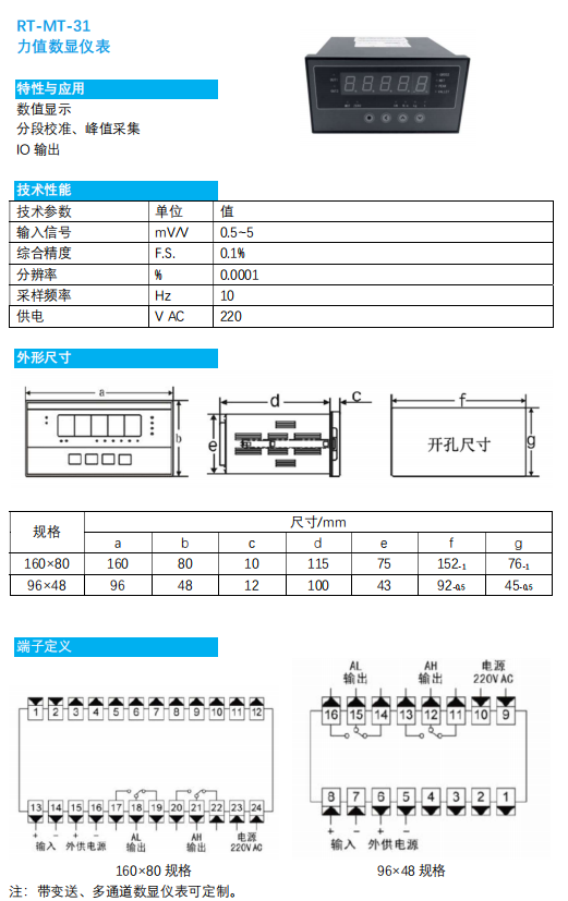
RT-MT-31力值数显仪表
订货号:
型号:
RT-MT-31
单位:
PCS
品牌:
睿提
生成询价单
产品描述
技术参数
产品配置
资料下载
产品描述
技术参数
产品配置
资料下载
帮助中心
会员中心
在线客服